Introduction (why you need such thing)
I was starting with the SMPS blocks designs for my ready-made rack systems. My goal was to have a universal power supply module that puts out some rectified unregulated DC This DC is then regulated at the load to the voltage that is needed for a particular module.
There's one problem here. Different designs require vastly different voltages. For example, Neve type preamps work from +24V rails, UREI 1176 requires +30V/-12V. API style preamp requires +/-15V. If you put UREI and API in a single system, you get a huge 15V difference on the positive rail right away. Dropping 15V on a linear regulator is quite rough on a poor chip. It gets very hot and if the load is heavy, you need a big heatsink to keep the regulator happy. And you waste a lot of power just heating the air.
So I decided to explore switching power supplies that promise to solve this problem - they are quite efficient and can generate almost any voltage you need. There's one problem with SMPS though. It's noise.
There're several techniques that allow to reduce the noise from the SMPS. And one of the most effective (in terms of noise reduction) is a low drop-out regulator after the SMPS stage. You loose some efficiency, but you gain in noise department.
So what noise level are we expecting to see and to measure. This may be anywhere from less than 10µV up to tens or hundreds of millivolts in case we want to measure the SMPS stage before an LDO. Don't forget that this tiny noise is sitting on top of the DC voltage which you have to remove. In order to measure 10µV reliably, you need an instrument capable of measuring at least 1µV. And this will be quite an expensive instrument for sure.
A rather common approach to this problem is to take the AC output from the PSU and amplify it so that you can measure the noise with much less expensive instruments. How much do we want to amplify our 10µV signal? 10.000 times should be enough to get the level up to 100mV. And for 1mV noise signal we might need a 1.000 times amplifier to get a 1V readings. This is 80dB and 60dB respectively. And don't forget that you need a VERY low noise design, it should have it's own noise in the sub-microvolts range in order to not mess with the measurement signal.
How do you make such an amplifier
This is not an easy thing. Thankfully, most of the work has been done by Jim Williams from Linear Technology. You can read the LT application note here for more information on the subject.
I started to look if there were any projects that were available in the DIY community and it turned out that there was one promising low noise amplifier project with very good specs. It was developed by the user called Frex at diyAudio forum, he called it ERMSDCv2. Here's the link to the thread. This device has three blocks in a single enclosure: low noise 80dB amplifier, RMS to DC converter and DC to LOG converter. The idea is that you take your signal, run it through an amplifier, feed amplifiers output to the RMS to DC converter and read an output with a regular voltmeter. DC output gives you calculated RMS voltage, and LOG output gives you direct dBV reading.
If you have an FFT analyzer, you can see the noise spectrum by feeding an output of the amplifier directly to the analyzer. This is very convenient and allows to see noise spikes that you can't observe with a regular voltmeter.
How much does it cost to build
It would be foolish to think that you can build such a device for pennies. But how much exactly would this build cost? Well, parts for the project cost approximately 300 USD (Mouser, USA prices). This includes two enclosures and parts for power supply as well. PCBs were another 40 USD. If you add shipping, everything totals to approximately 400 USD which is very reasonable for the device with these specs and preformance.
What you need to build it
This is a precise device, so you must have precise instruments to calibrate it properly. Here's an absolute minimum of must-have instruments for the build:
- Precision bench DMM. 5½-digit minimum if you want your device to give you any reliable readings. If you don't have a precision DMM, you can get away with a high quality audio analyzer. But DMM makes life a lot easier. I used HP 34401A bench meter.
- Signal generator capable of generating sine and square waves. It doesn't have to be precise, but it should be able to generate signals with amplitude of 100mV to 1V RMS. I used Analog Discovery 2.
- Soldering iron with a very fine tip. There're quite a few SMD parts including 0805 capacitors and resistors. You don't want to fry your expensive SMD chips with a huge iron.
- Magnifying glass. Yes, it's that important. You absolutely MUST check all your SMD soldering with a magnifying glass if you don't want to buy a replacement op-amp for 20 USD.
- A couple of 50R BNC terminators.
Here is a list of desirable, but optional equipment:
- Oscilloscope. If you want to adjust the 10x input properly, this is a must. Otherwise you can do without the scope if you manage to do everything correctly and your build doesn't require troubleshooting (which is possible - my device worked fine the first time I powered it up). I used Rigol DS2072.
- Audio analyzer. If you ever planned to look at the spectrum of your noise signal, this is an absolute must. If you don't have a precision DMM it is also a must - an analyzer can give you a precise reading of an AC signal which you can rely upon if you don't have a proper DMM. I used QuantAsylum QA401.
- Drill press and step drill bit. To take filing out of the metalwork. Well, most of the filing.
- Transparent self-adhesive film for laser printer. This is very useful for making one-off labels for a device panels. I used Lomond A4 sheets, part number 2800003.
- Various adapters to and from BNC. They will be useful for many other projects, so it's a good idea to get them now. BNC to banana plug and BNC to mini-grabbers are especially useful. Choose the correct BNC gender!
- Dedicated resistive pads. You will need a 60 dB pad anyway, so why not make a proper shielded pads with BNC interface?
Build details, progress and modifications
The build itself is not very difficult, although it requires careful attention to soldering SMD parts. I've soldered in all SMD parts first, cleaned the board in an ultrasonic cleaner and soldered all the remaining components. After that I cleaned the board with a toothbrush and alcohol.
I've included the 1x/10x switch option which is provided on the PCB, but was not implemented on the front panel. I also made a switch that changed the gain from 80 dB to 60 dB. Another modification was power supply connector. I used Rean mini-XLRs which are smaller than what was suggested in the BOM. With mini-XLRs you need to make sure that your PSU cable has a diameter of no more than 4.5mm, otherwise it won't fit in the connector.
This is a close-up shot of the additional x10 switch. There is some room on the front panel right near the AC/DC coupling switch that allows to place the x10 switch nearby. However, there're a couple of components on the board that won't allow the switch to fit. I soldered these components under the board to solve this issue.
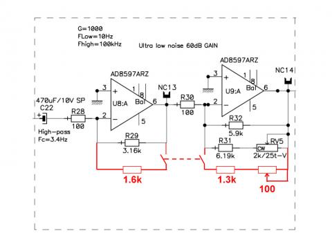
This can be solved by changing the input stage gain from 1000 to 100. There're several ways to do that, but one of the best is probably to change the feedback resistors and set different gain.
You can see the proposed modification on the picture. By adding parallel feedback resistors in both gain stages it's possible to reduce the gain of the input block. This is very easy to implement, although it does require a DPDT switch. Since we are adding resistors in parallel, connections are very simple and convenient.
You don't need to desolder anything. And the 100R trimmer for fine 60 dB gain adjust sits right near the 80 dB gain trimmer.
Finally, the PSU was built in a separate box. It is a boring LM317/LM337 dual supply with +/-9V output. The only notable thing is the PSU connection cable. It's a 3-wire shielded type cable. Shield is used to connect enclosures together and ensure that there's direct connection of all metal parts to the mains earth. Other 3 conductors carry +9V, -9V and ground. Ground is connected to chassis via BNC connectors shells, so no separate ground connection was made.
BOM changes
When ordering parts I made the following changes:
- Device enclosure was listed in BOM as Hammond 1455N1601 (it was changed to the smaller one in the last BOM revision). Turned out it was too high for the unit. But since I made some mods that required extra front panel space, it turned out beneficial for my particular build. At the end of this article you will find print-outs for front and back panels that you can use with this enclosure.
- VK200 type inductors (L1-L4) are obsolete. Fair-Rite wound inductors are a suitable replacement.
- This and this are used as power connectors. You will need a pair of each.
- This switch is cheaper then suggested in BOM. And fully compatible. I used this switch as a 1x/10x switch.
- These BNC connectors are much cheaper and still offer a good quality. Don't forget to buy enough of jam nuts and lock washers.
- ZVP3306 is a suitable replacement for BSS92 (double check the pin-out!).
- PN4393 is a suitable replacement for 2N5486 (double check the pin-out!).
- If you can't find 9Meg resistor, try this one. And here's the trimmer cap for 10x input.
- Here're some nice flat top LEDs from Kingbright.
- Don't forget some 1R resistors. You will need them for making pads.
Useful materials
If you choose the same enclosure that I used, you can use the following print templates for front and back panels:
There're 4 templates: 2 for drilling holes, 2 with artwork. If you don't plan to use transparent film, you can still make use of the drilling templates. Keep in mind - these templates are designed to work with the BNC connectors listed in the "BOM Changes" part. Other connections may have different dimensions and, as a result, will not fit!
In the next part we'll calibrate the unit and verify its performance. Stay tuned!
|
|
|


